产品中心

PRODUCT

产品中心

ZL-35T户内联合胶装支柱绝缘子

如果您有任何问题可以联系我们!
联系我们

电话:13362797389   15325038558

扫一扫,加我为朋友
  • 详细信息
详细信息

产品说明及使用方法:

ZL-35T户内内胶装支柱绝缘子

一、户内支柱绝缘子概述

户内支柱绝缘子用于额定电压6~35kV户内电站,变电所配电装置及电器设备,用以绝缘和固定导电部分。
绝缘子适用于周围环境温度为-40℃~+40℃,安装地点海拔高度普通型不超过1000m,高原型不超过4000m。
绝缘子按胶装结构分为外胶装,内胶装和联合胶装三种结构型式,绝缘子按额定电压与抗弯强度等级分类如下:

额定电压
kV
抗弯强度kN
外胶装
内胶装
联合胶装
6
3.75,7.5
4
10
3.75,7.5,20
4,(7),8,16
4
20
20
30
35
(7.5)
4,(7.5),8

注:表中()表示非标准等级


二、绝缘子结构简介

绝缘子由瓷件和上、下金属附件用胶合剂胶装而成。瓷件端面与金属附件胶装接触部位垫有弹性衬垫,瓷件胶装部位分别采用上砂、滚花、挖槽等结构,以保证机械强度、防止松动、扭转。瓷件表面均匀上白釉,金属附件表面涂灰磁漆。
绝缘子瓷件主体结构有空腔隔板(可击穿式)结构和实心(不可击穿式)结构两种。联合胶装支柱绝缘子一般属实心不可击穿式结构。后一种结构比前一种结构提高了安全可靠性,减少了维护测试工作量。
绝缘子瓷件外形有多棱或少棱两种,多棱形增加了沿面距离,电气性能优于少棱形,除将逐步淘汰的外胶装支柱绝缘子外,其余产品均为多棱形。
内胶装结构,由于金属附件胶入瓷件孔内,相应的增加了绝缘距离,提高了电气性能,同时也缩小了安装时所占空间位置,但由于内胶装对提高机械强度不利,故机械强度要求较高的绝缘子,宜采用联合胶装(即上附件采用内胶装,下附件采用外胶装)。

三、技术标准

户内支柱绝缘子按国标GB8287.1~8287.2《高压支柱瓷绝缘子》制造。

四、型号说明

Z——户内外胶装支柱绝缘子;
ZN——户内内胶装支柱绝缘子;
ZL——户内联合胶装支柱绝缘子;
对于外胶装支柱绝缘子,破折号前字母L表示多棱式,字母A、B、D表示机械破坏负荷分别为3.75,7. 5,20kN。字母后分数,分子表示额定电压千伏数,分母为机械破坏负荷kN数。
N——内胶装上下附件为单螺孔者;
Y——外胶装和联合胶装下附件为圆形者;
T——外胶装下附件为椭圆形者;
F——外胶装下附件为方形者;
G——高原型(老产品为GY)

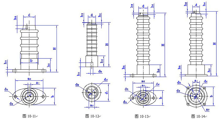
五、外形及安装尺寸

型号
图号
主要尺寸mm
重量kg
H
D
h1
h2
h3
h4
h5
d
d/b
d3
d4
d5
a1
a2
ZL-10/4G
10-11
210
90
-
60
18
-
15
70
112
2-M8
-
2-φ14
18
145
5.4
ZL-20/30
10-14
290
160
-
110
-
30
25
105
250
-
M20
4-φ18
-
250
24.6
ZL-35/4Y
10-12
380
90
-
60
8
20
25
62
114
2-M8
M10
M16
36
-
6.2
ZL-35/4
10-13
380
90
-
60
8
20
15
62
112
2-M8
M10
2-φ14
36
145
7.5
ZL-35/8
10-14
400
110
-
65
12
25
14
68
160
2-M10
M16
4-φ14
46
180
11.2
ZLA-35GY
10-13
445
100
-
64
8
20
14
62
120
2-M8
M10
2-φ12
36
150
9.3
ZLB-35GY
10-14
445
125
-
70
12
25
14
68
-
2-M10
M16
4-φ14
46
180
11.4
ZL-35/4G
10-14
535
110
-
65
12
25
18
68
-
2-M10
M16
4-φ14
46
180
14.0

型号
额定电压kv
工频电压kv r.m.s≮
全波冲击耐受电压kv peak ≮
抗弯及抗拉破坏负荷kn≮
适用海拔高度m
干耐受
击穿
ZL-10/4G
10
67
107
114
4
~4000
ZL-20/30
20
68
-
121
30
~1000
ZL-35/4Y
35
110
-
195
4
~1000
ZL-35/4
35
110
-
195
4
~1000
ZL-35/8
35
110
-
195
8
~1000
ZLA-35GY
35
138
-
244
4
~3000
ZLB-35GY
35
138
-
244
7.50
~3000
ZL-35/4G
35
157
-
279
4
~4000

 

产品型号
工厂代号
图号
主要尺寸mm
弯曲破坏负荷KN
工频干耐受电压KV
雷电冲击耐受电压KV
参考重量kg
H
D
d1
d2
a
b
ZL-10/4
P2221
1
160
72
M10
12
130
/
4
42
75
2.2
ZL-10/8
P2222
1
170
86
M16
14
145
/
8
42
75
4.6
ZL-10/16
P2223
2
185
110
M16
14
/
180
16
42
75
6.1
ZL-20/16
P2224
2
265
125
M16
14
/
210
16
68
125
15.2
ZL-20/30
P2225
2
290
160
M20
20
/
250
30
68
125
20

六、订货须知

1. 订货时应注明型号及工厂代号。
2. 图号供参考,户内有公称爬距的瓷件带伞裙。
相关产品
联系我们
扫一扫,加我为朋友
© 上海福熔电气有限公司   沪ICP备16041022号-1   XML   网站地图   网站制作维护:传信网络

在线
QQ

点击这里给我发消息 476635413
在线QQ

微信
咨询

扫一扫,加我为朋友
扫一扫,加我为朋友

服务
热线

13362797389

15325038558
服务热线

客服
邮箱

476635413@qq.com
客服邮箱